El dinamómetro mide las RPM y el par del motor y calcula la potencia en función de estos valores. Puede utilizar la siguiente fórmula para calcular la potencia en función de las RPM y el par: HP = t*RPM / 5252. La conversión de CC a HP es rápida y sencilla con esta calculadora. ¡Simplemente ingrese CC o HP y vea el resultado de la.. Fórmula para calcular caballos del coche -canalMOTOR. Te mostramos cómo calcular los caballos de potencia de tu coche con dos sencillas fórmulas matemáticas y te contamos para qué sirve.

Isso Que é Cilindrada INFORMAÇÕES TÉCNICAS YouTube

Hitachi CV 400 230V (AM45001000)

Anoi Zelo Aconselhar medir cilindrada de un motor interferência

📐 Como se calcula la cilindrada de un motor? Hágalo ud mismo y

Kurve Gasse Essig calculador de cilindrada Schlagloch Klimaanlage Kapazität

Convertir cilindrada a caballos Actualizado febrero 2024

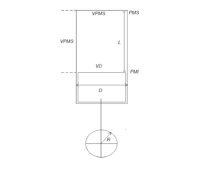
compress

Comment Convertir Des Ml En Cm3 Elk Media™. Jun 2023

Convertir de g/cm3 a kg/m3 (Parte 2) YouTube

Motores três cilindros vieram para ficar, mas incentivo não deveria ser
![Como Saber La Cilindrada De Un Motor? [Nueva información] Como Saber La Cilindrada De Un Motor? [Nueva información]](https://www.australgomas.com.ar/wp-content/uploads/2022/10/lumicashosokudy.png)
Como Saber La Cilindrada De Un Motor? [Nueva información]
Fisiología médica CIRCULACIÓN Superficies transversales y velocidades

Convertir G Cm3 A Kg M3 EDUCA

Convertir kg/m3 a g/cm3 YouTube

Al convertir 400 kg/m3 a g/cm3 el resultado será Por favor ayudenme doy

Convertir de Pulgadas cúbicas a Centímetros cúbicos (in3 a cm3) YouTube
CZ 200 CV (Gasolina)Cilindrada 1 600 cm3 / 2011 / Nacional / 1

doble proposito de baja cilindrada YouTube

Cómo Convertir Cm3 A Litros Fórmula En El 2023 jimpyang

Convertir cm3 a pie3 (unidades de Volumen) Técnica de los paréntesis
Calculadora de conversión en línea Centímetro cúbico a Metro cúbico (cm3 a m3) para Volumen conversiones de unidades con tablas y fórmulas. CitizenMaths. Volumen . Aceleración; Almacenamiento digital; Ángulo; Cantidad química;. Cómo convertir de Centímetro cúbico a Metro cúbico. 1 Centímetro cúbico es equivalente a 1.0e-06.. La méthode la plus courante pour convertir des cm3 en chevaux est d'utiliser le rapport de conversion standard. Ce rapport stipule que 1 cheval-vapeur (cv) équivaut à 15.33 cm3. Pour effectuer cette conversion, vous pouvez utiliser la formule suivante : Nombre de chevaux = Nombre de cm3 / 15.33.